薄壁密封深溝球軸承 JU120XP0
- 洛陽利瑞軸承有限公司主營薄壁軸承,等截面薄壁軸承,工業機器人軸承,推力滾子軸承,精密軸承等,可根據客戶特殊要求定制非標薄壁軸承,多種規格截面尺寸.歡迎來電咨詢
產品詳細
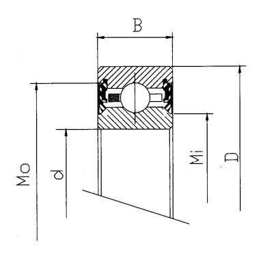
帶密封軸承,可以對軸承起到更多的保護作用,能夠保持軸承內部清潔和良好的潤滑,在等截面薄壁軸承里是一款密封軸承,用于煙草設備、焊接工業機器人等 。具有很廣泛的適用空間,它還可以節省空間,降低重量,顯著降低摩擦,并接提供良好的旋轉精度,在不影響軸承性能和使用壽命的情況下,使用薄壁軸承,可以縮小設計的外部尺寸和降低生產成本。

| 型號 | 基本尺寸 | 球數 | 重量 | 額定負載 | 極限轉速 | |||||||
| 徑向 | 推力 | 傾覆 | ||||||||||
| d | D | B | 靜 | 動 | 靜 | 動 | 靜 | 動 | ||||
| mm | mm | mm | Kg | Co(N) | Cr(N) | N | N | Nm | Nm | (RPM) | ||
| LR040UU | 101.6 | 120.65 | 12.7 | 35 | 0.249 | 9340 | 5740 | 13830 | 16640 | 310 | 370 | 3660 | 
| LR042UU | 107.95 | 127 | 12.7 | 37 | 0.263 | 9880 | 5870 | 14550 | 17040 | 340 | 400 | 3460 | 
| LR045UU | 114.3 | 133.35 | 12.7 | 39 | 0.277 | 10410 | 6010 | 15300 | 17390 | 380 | 430 | 3280 | 
| LR047UU | 120.65 | 139.7 | 12.7 | 41 | 0.295 | 10940 | 6090 | 16060 | 17660 | 420 | 460 | 3120 | 
| LR050UU | 127 | 146.05 | 12.7 | 43 | 0.308 | 11520 | 6180 | 16810 | 17970 | 460 | 490 | 2980 | 
| LR055UU | 139.7 | 158.75 | 12.7 | 47 | 0.336 | 12590 | 6410 | 18280 | 18550 | 550 | 550 | 2720 | 
| LR060UU | 152.4 | 171.45 | 12.7 | 51 | 0.367 | 13660 | 6630 | 19790 | 19220 | 640 | 620 | 2510 | 
| LR065UU | 165.1 | 184.15 | 12.7 | 55 | 0.395 | 14720 | 6810 | 21310 | 19750 | 740 | 690 | 2330 | 
| LR070UU | 177.8 | 196.85 | 12.7 | 59 | 0.422 | 15790 | 6980 | 22770 | 20240 | 850 | 760 | 2170 | 
| LR075UU | 190.5 | 209.55 | 12.7 | 63 | 0.449 | 16860 | 7120 | 24240 | 20640 | 970 | 820 | 2030 | 
| LR080UU | 203.2 | 222.25 | 12.7 | 67 | 0.481 | 17930 | 7340 | 25760 | 21220 | 1100 | 900 | 1910 | 
| LR090UU | 228.6 | 247.65 | 12.7 | 75 | 0.535 | 20060 | 7700 | 28780 | 22330 | 1370 | 1060 | 1700 | 
| LR100UU | 254 | 273.05 | 12.7 | 83 | 0.594 | 22200 | 7920 | 31760 | 23000 | 1670 | 1210 | 1540 | 
| LR110UU | 279.4 | 298.45 | 12.7 | 91 | 0.649 | 24330 | 8360 | 34700 | 23490 | 2010 | 1360 | 1410 | 
| LR120UU | 304.8 | 323.85 | 12.7 | 99 | 0.708 | 26470 | 8780 | 37720 | 24330 | 2370 | 1530 | 1300 | 
- 上一篇:工業機器人軸承 KA025XP0
- 下一篇:沒有了
Tag標簽:
                

 豫公網安備 41030502000357號
豫公網安備 41030502000357號 
         
                 
            